Цилиндро-червячные мотор-редукторы PCRV: характеристики, устройство, принцип работы, стоимость

PCRV
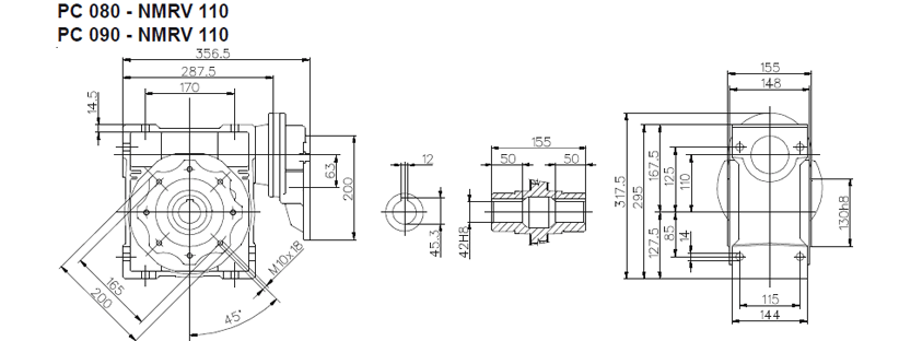
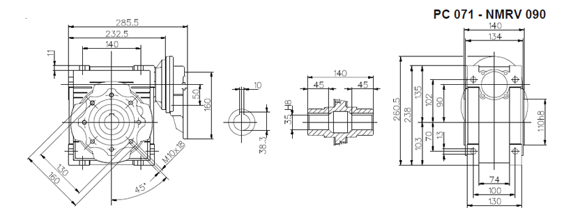
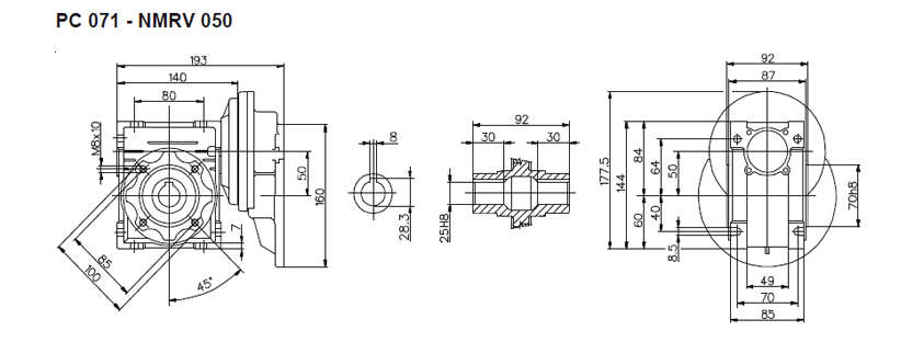
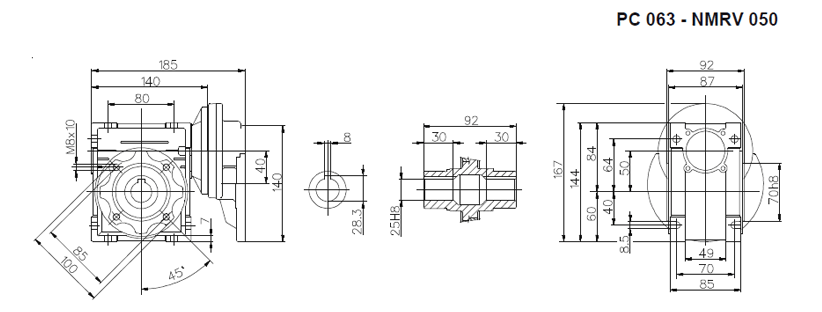
Цилиндро-червячный мотор-редуктор серии PCRV состоит из червячного редуктора NMRV и цилиндрической ступени PC. В отличии от редукторов NMRV цилиндрическая ступень имеет только одно значение передаточного отношения (3,5). Ступень PC поставляется в четырех типоразмерах: PC 63, PC71, PC80, PC90. Ступень устанавливается между электродвигателем и редуктором и позволяет получить диапазон передаточных чисел 75 – 320. Корпус из алюминиевого сплава. Шестерни выполнены из закаленного сплава 20MnCr5 (UNI7846).

 

  • Типоазмер 63/40 - 63/50 - 63/63 - 71/50 - 71/63 - 71/75 - 71/90 - 80/75 - 80/90 - 80/110 - 80/130 - 90/110 - 90/130
  • Диапазон передаточных отношений 75 - 320
  • Мощность электродвигателя 0,12 - 1,5 квт
  • Диапазон крутящего момента 68 - 2150 Нм

 

Выходные обороты и мощность электродвигателей (кВт)

 

УСЛОВИЯ ПРИМЕНЕНИЯ

  • нагрузка постоянная или переменная, одного направления и реверсивная
  • температура окружающей среды от -40 до +50°С
  • влажность не более 95%
  • Внешняя среда неагрессивная, запыленность не более 10 мг/м3
  • высота над уровнем моря - не более 1000м
  • работа постоянная и с периодическими остановками (без ударов и толчков)
мотор-редукторы PCRV
мотор-редукторы PCRV

 

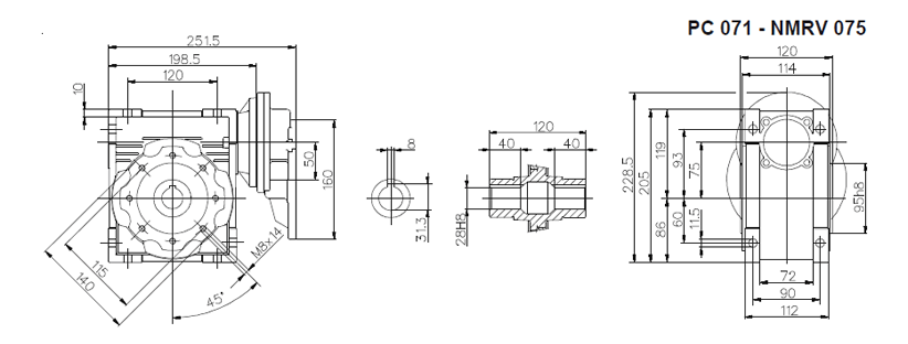
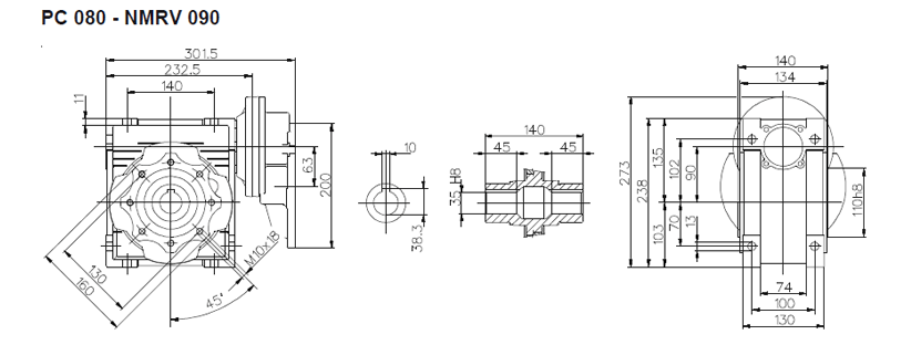
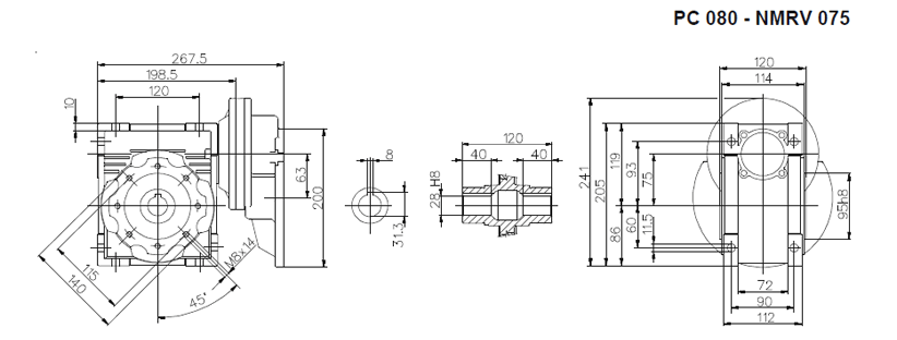
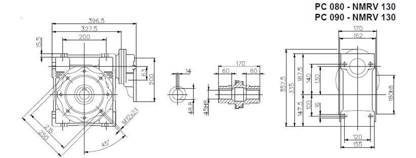
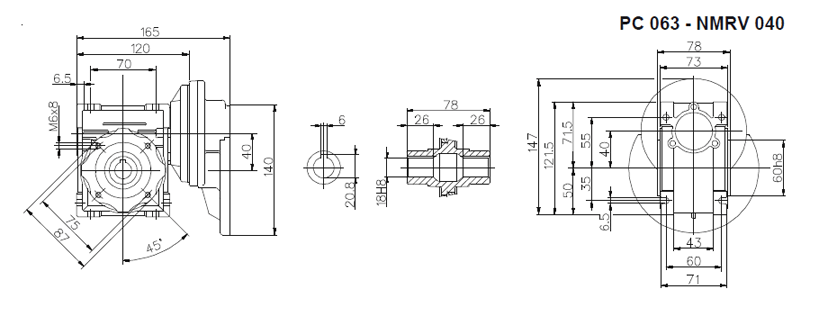
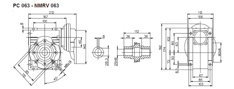
Габаритные и присоединительные размеры

PC063-NMRV040

 

 

 

 


 

 

 

 

 

 

 

Монтажные положения

Монтажные положения PCRV

 


Порядок установки цилиндрической ступени PC на электродвигатель

Порядок установки цилиндрической ступени PC на электродвигатель

Для правильной установки шестерни на вал электродвигателя необходимо придерживаться следующих инструкций:

  • a) Тщательно очистить вал электродвигателя
  • b) Удалить призматическую шпонку двигателя
  • c) Закрепить втулку (1) на ведущем валу, как показано на рисунке, используя прокладочный герметик (7). Для облегчения процесса можно нагреть втулку примерно до 70-80°C.
  • d) Установить новую втулку (3) вместо удаленной.
  • e) Установить шестерню (4), соблюдая требования пункта (c).
  • f ) Установить шайбу (5) и затянуть винт (6).
  • g) Удалить резиновую крышку в месте посадки сальника, действуя с осторожностью, поскольку предварительный модуль заполнен смазкой.
  • h) Установить сальник (2) и двигатель в сборе, следить за тем, чтобы не повредить резиновый борт сальника.

Для бесперебойной работы без лишней вибрации и шумов рекомендуется использовать двигатели ABLE.

 

Выходные обороты и мощность электродвигателей (кВт)

 

 
© 2014 Редукторы, мотор-редукторы, устройства плавного пуска, преобразователи частоты